Контакты

220053, г.Минск, ул.Мирная, 39-2
тел/факс: +375 (17) 375-49-08
моб: +375 (29) 338-49-08, 662-49-08
e-mail: kobminsk@ya.ru

Карта проезда

Схема подключения счетчика газа

Схема подключения счетчика газа

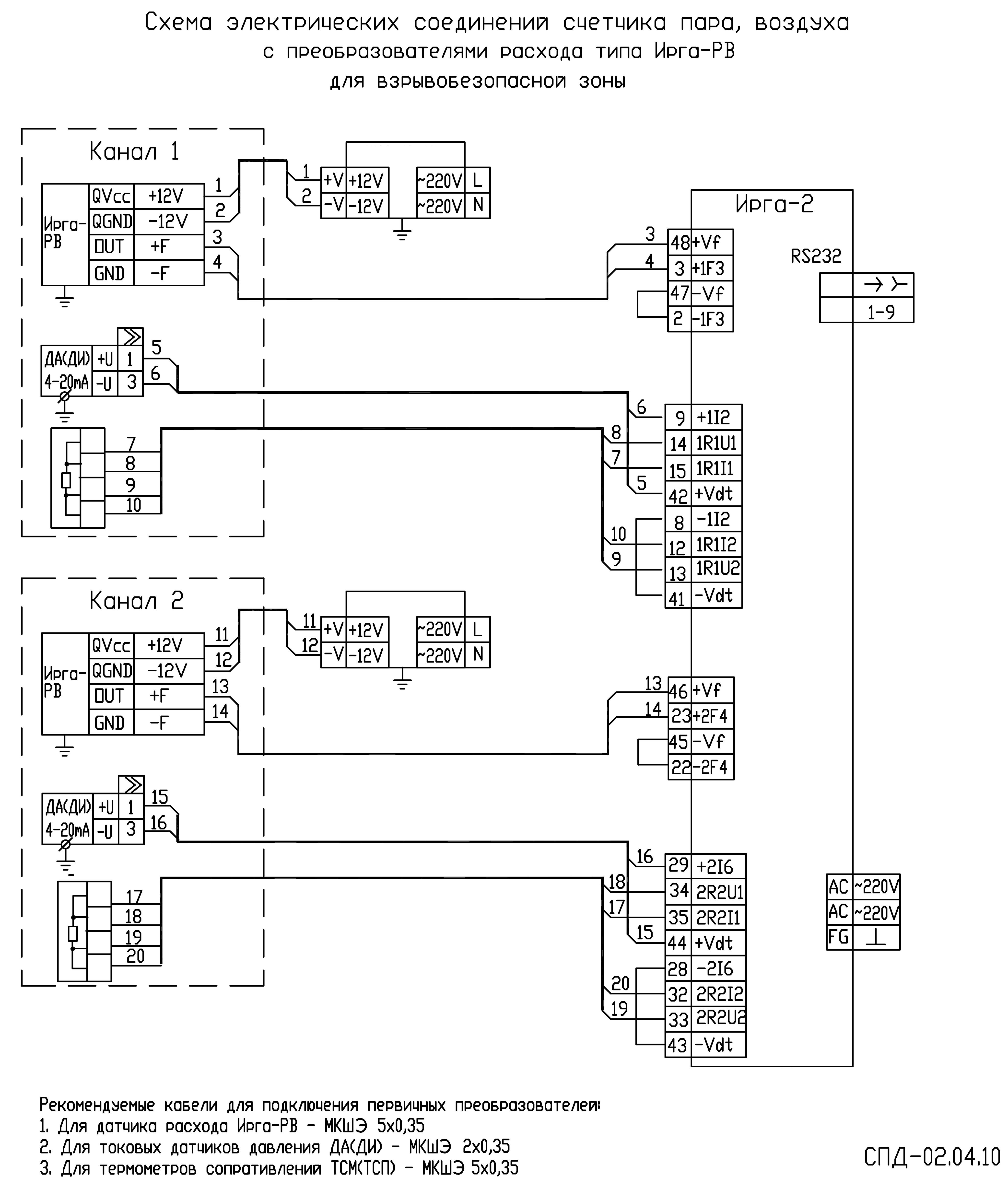
Схема подключения счетчика воздуха/пара/жидкости

скачать Опросник ИРГА

© 2012-2013 ОДО "Кобальтсервис" Разработка сайта — «Просто сайт»